流量計の「記号」は、P&ID(配管計装図)の中で、どこで流量を測っていて、どんな信号で、何を制御しているのかを一瞬で伝えるための共通言語です。
しかし、実務ではFE/FT/FI/FY/FCVのような略号、線種(信号線・配管線)、矢印(流れ方向)、会社独自ルールが混ざり、初心者ほど「見たことはあるのに読めない」状態になりがちです。
この記事では「計装記号」の初心者に向けて、記号(FT、FCVやFY等)の意味を中心に、カスケード制御やAB制御の計装図の例までご紹介します。

圧力(PE/PT/PCV)や温度(TE/TT/TCV)も同じ考え方で描かれるため、このページでFCV回りの計装が分かれば、PCVやTCVも合わせて理解できるようになります。
流量計の記号とは?図面(P&ID・配管)で“何がわかる”か最短理解
P&IDで流量・圧力・制御の要素を読み解く全体像
流量計やその周辺の計装は、次のような図面で表され、測定の方式(差圧・電磁・渦など)、信号の種類(電気・空気など)、表示・警報の有無、最終的にどのバルブを動かして制御しているかまでを理解するための手がかりです。


つまり計装のP&ID記号を読めるようになると、「どこで流量を見ているか」「コントロールバルブの作動方式は何か」「異常時にどの弁が動くか」「手動介入はどこか」まで、図面から分かるようになります。
P&IDは、配管の接続関係に加えて、計器の機能(指示・記録・制御)と信号の流れを表す図面です。
流量に関しては、①流量を発生させるプロセス(ポンプ・圧力源・配管抵抗)、②流量を検出する要素(FE)、③信号を送る送信器(FT)、④表示や制御(FI/FIC)、⑤最終制御要素(FCV)という“ループ”で読むのが最短です。
図面に出る「計器・計装」表記の基本ルール(初心者向け)
計装記号はFTやPG、TCVなどのことですが、一文字目で「何を扱うか」を示していて、二文字目以降で「何をするか」を示しています。
たとえば、一文字目がFの場合はFlow(流量)、Pの場合はPressure(圧力)、Tの場合はTemperature(温度)を扱うということを意味します。
一方、二文字目がGはgauge(測定)、TはTransmitter(送信)、CVはControll Valve(調節弁)といった具合です。

初心者がまず押さえるべきは、①先頭文字=測定対象(F/P/T/Lなど)、②後続文字=機能(I/T/Y/CVなど)だね
P&ID記号の読み方:FE/FT/FI/FY/FCVを“流れ”で理解する方法
流量計記号を覚えるコツは、単語暗記ではなく「流れ(ループ)」で追うことです。
典型的な流量制御は、配管中のFEで流量に応じた差圧などを作り、FTがそれを信号に変換してDCSへ送り、FIやFICが表示・制御判断を行い、FYでの信号変換(例:電気→空気圧)を挟み、FCVが弁開度を変えて流量を調整します。


この一連を図面上で線で追えるようになると、記号の意味が“役割”として定着します。
流量計記号は、JIS(日本工業規格)やISA(米国計装規格)をベースにしつつ、実際の図面では会社標準(社内ルール)で運用されることの方が多いです。
そのため「規格通りに覚えたのに図面と違う」というズレが起きます。結論としては、①英字の意味(F/I/T/Cなど)と②信号線の種類(電気/空気圧/デジタル)という“骨格”は規格で押さえ、③図形の細部や線種は社内基準に則る方が実務的です。
| 計装シグナルのシンボル | 計装シグナルの種類 |
|---|---|
| プロセスとの接続 | |
| 空気信号 | |
| 電気信号 | |
| 油圧信号 | |
| コンピューター内部信号 |
「FT」「FCV」など略号は何の略?(名称と機能)
会社でPTやTEとかをよく聞くけど、「TとかEの違いがよくわからない」なんて方、多いのではないでしょうか?以下では、EやTなど、計装記号によく出てくる英文字の意味をお伝えします。
一般的な話をすると、流量や圧力を調整する場合は、E⇒T⇒I⇒Y⇒CVの順番で二文字目が変化します。例えば、流量制御の場合、FE⇒FT⇒FIC⇒FY⇒FCVという順番になります。
| 略号 | 一般的な意味 | 図面で分かること |
|---|---|---|
| FE | Flow Element(流量要素) | どの方式で検出しているか(例:オリフィス) |
| FT | Flow Transmitter(送信器) | 信号がどこへ行くか(DCS/盤/現場) |
| FI | Flow Indicator(指示) | どこで値を見られるか(現場/盤/画面) |
| FY | Flow Converter(変換・演算・リレー等) | 信号の変換(I/P等)や信号方式 |
| FCV | Flow Control Valve(調節弁) | 最終的に流量を変える弁とその位置 |
FE(流量要素)やFT(送信)とは:流量計で一体化していること多し
FEはFlow Elementで、流量を“検出できる物理量”に変える一次要素です。代表例がオリフィス板で、配管を絞って差圧を発生させ、差圧から流量を求めます。

このとき重要なのは、FE自体は表示も信号の伝達も行っておらず、あくまで流量測定のための要素だという点です。実際に信号を送る部分はFTの部分であり、FEやセンサから得た情報(圧力差等)を標準信号(例:電流信号4-20mA、空気信号20~100kPaなど)にして送っています。
しかし、実際上はFEやFTは機器として一体化していることが多いので、プラントで働いている化学者のなかでFEとFTを区別している人はほとんどいません。圧力計PTや温度計TTに関しても同じです。


DCS取り込みの計器のことを単にPTやFTと言ってしまうことの方が多いです
FY(演算・変換・リレー)の意味:DCS信号を空気圧に変える
FYは、流量信号の流れの中で「信号をそのままでは使えない」場合に登場する補助機能の箱のことです。


例えば、DCSからは電気信号(4~20mA)しか送れませんが、現場計器は空気圧作動(20~100kPa)で作動するものも多いです。そのため、電気⇒空気のConverterが必要です。

FYの典型例はI/P変換器(電空変換器)で、電気信号(4-20mA)を空気圧信号に変換して調節弁を動かします。

図面ではFYの前後で信号線の種類が変わっているはずなので、確認してみましょう。
FCV(流量制御バルブ)の位置づけ:流量制御のゴール
FCVは流量を最終的に調節する「手」にあたる機器で、制御ループの要であり、ゴールです。
FCVを見たら「どの信号で動くか(FT/FIC/FYから来る線)」がまずできるようにしましょう。さらに、「異常時にどうなるか(フェイル)」まで考えられれば上級者に近づきます。

FYは必須?
ちなみに、FYは必須ではありません。信号変換が不要なら、FT→FIC→FCVで完結します。

最近は電気信号を元に動作するCVも多いです。この場合、Y(Converter)は不要になります。
空動式のCVは防爆へ対応しやすかったですが、空気配管を準備する必要があるなどのデメリットがありました。近年は防爆対応をした電動式のCVも増えています。
【例で覚える】P&IDで頻出する計装ループ
流量計単体の記号を覚えても、図面では「監視ループ」「制御ループ」「積算」「警報」などの組合せで出てきます。頻出パターンを例として押さえると、初見の図面でも読める速度が一気に上がります。
計装の図面としてカスケード制御とAB制御の例を見てみましょう。
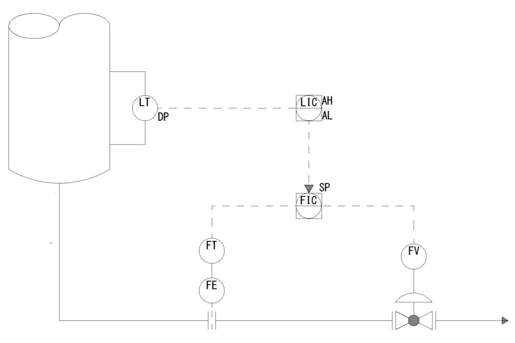
カスケード制御の例
カスケード制御とは「2つの計器を使った制御方法」です。
例えば、大きなタンクの液面レベルを制御したいとします。しかし、液面レベルはすぐには変えられません(動作が鈍い)。そこで、もう一つ、タンクの出口流量を見る計器を用意します。液面レベルの計器は「もう少し流量を増やして」と指示し、流量の計器がすぐにバルブを調整します。こうすると、外からの変化があっても早く対応でき、全体が安定します。このように、2つの計器でうまく制御する方法をカスケード制御といいます。

上の例では、LT(DP:差圧式)の液面電送器からの「電気信号」をLICで捉えて、流量計の設定値(Set Point)を「電気信号」で伝えて変更します。つまり、カスケード制御しています。FVには電気信号がそのまま入っているので、電動式であることが分かります。
_AB制御(スプリット・レンジ制御)の例
スプリット・レンジ制御とは、1つの操作信号で、2つ以上の機械を分けて動かす制御方法です。
例えば、タンクの圧力を自動で調整する装置を考えてみましょう。圧力を上げたいは「窒素のバルブ」、下げたいときは「パージのバルブ」を使います。スプリット・レンジ制御では、タンク圧力の信号(a)が0~100%の範囲で出ていて、0~50%では窒素のバルブだけが動き、50~100%ではパージのバルブだけが動く、というように役割を分けます。
これにより、1つの指示でムダなくバルブを切り替えられ、安定した圧力制御ができるのが特長です。

上の例では、タンクからの圧力を反映した電気信号がPTからPICに発せられ、PICのコンピュータ内部信号(- 〇 – 〇 – 線)によってPIC出力が0~50%の場合はA弁が開いて窒素がタンクに入って加圧されます。PIC出力が50~100%の場合はB弁が開いてパージによって脱圧されるということが分かります。なお、バルブは空動式であることもわかります。
まとめ
この記事では「計装記号」の初心者に向けて、記号(FT、FCVやFY等)の意味を中心に、カスケード制御やAB制御の計装図の例までご紹介しました。
流量計の「記号」は、P&ID(配管計装図)の中で、どこで流量を測っていて、どんな信号で、何を制御しているのかを一瞬で伝えるための共通言語です。
実際のフローシートではFICやFYなどを省略し、単純にFTやFCVを結んだだけのものも多いですが、ベース知識として、計装ループの見方は知っておきましょう。

